网站首页
关于北互
集团简介
综合实力
发展历程
荣誉资质
企业文化
党建工作
社会责任
发展战略
资讯中心
北互报
公司新闻
产品中心
产品分类
工程应用
人才中心
人才战略
人才招聘
联系我们
在线留言
联系方式
产品搜索
关键字
产品分类
互感器
电磁式电流互感器
电磁式电压互感器
电容式电压互感器
避雷器
0.22-0.38kv低压避雷器
配电型避雷器
电站型避雷器
电容器型避雷器
悬挂式无间隙避雷器
悬挂式带串联间隙避雷器
瓷套避雷器
3-20kv电机中性点型避雷器
10-500kv电缆护套保护器
3-35kv全密封三相组合式避雷器
27.5-55kv电气化铁道避雷器
66-500kv以上变压器中性点避雷器
3-20kv发电机型避雷器
3-10kv电动机型避雷器
10-220kv复合捧型绝缘子
避雷器放电计数器及在线检测器
真空断路器
户内真空断路器
计量车
户内高压隔离手车
PT车
熔断器手车
户内真空接触器
户外真空断路器
户外高压隔离开关
预付费高压真空断路器
套管及绝缘件
触头系列
支柱系列
套管系列
集团产业
大连北方互感器集团有限公司
大连北方真空开关有限公司
大连北方避雷器有限公司
湖南大北互互感器有限公司
您现在的位置:
首页
-
产品分类
-
户外真空断路器
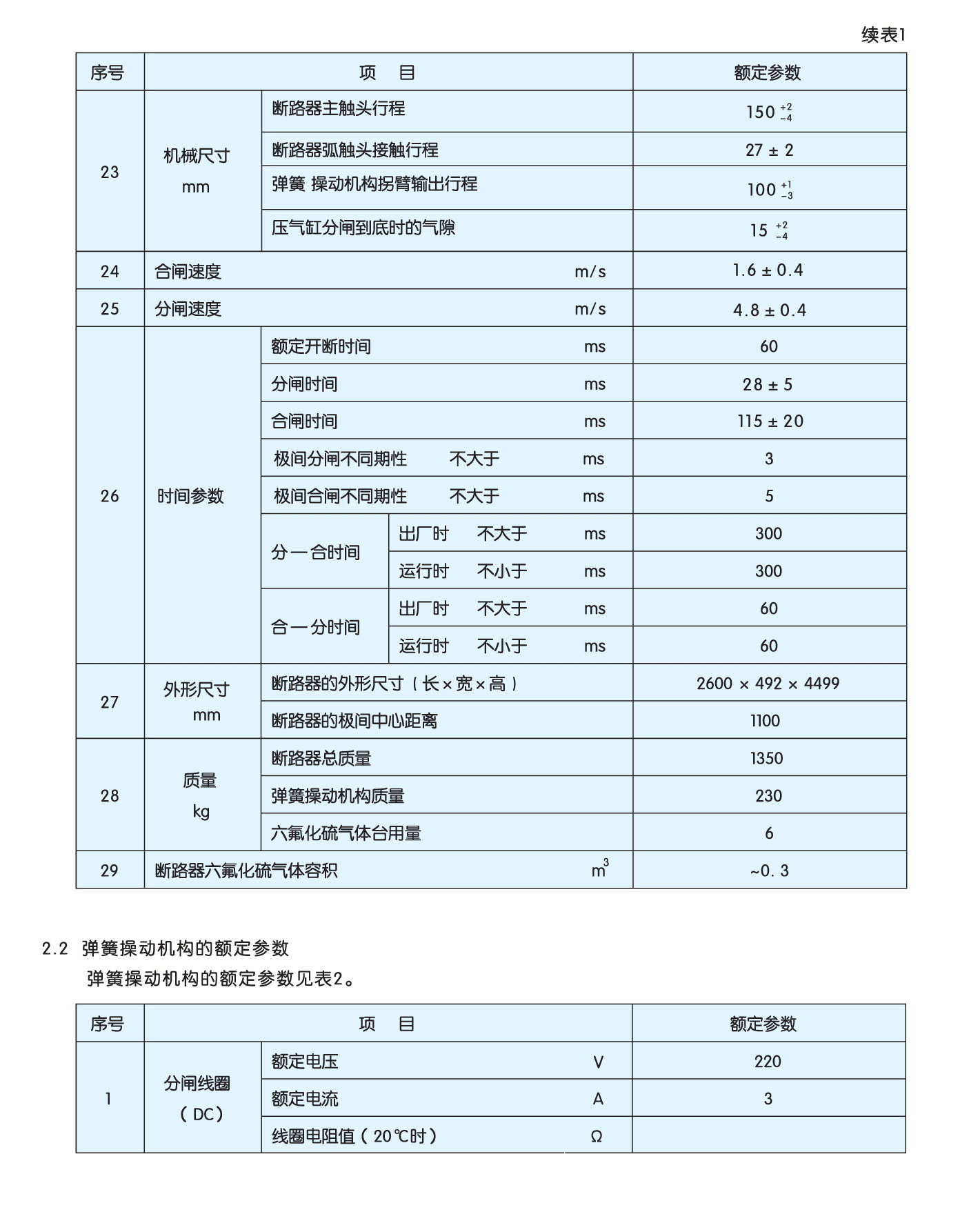
- LW9A-72.5型瓷柱式六氟化硫断路器
户外真空断路器
LW9A-72.5型瓷柱式六氟化硫断路器
时间:2016-08-16 浏览次数:
上一条:没有了
下一条:
ZW32-12型户外真空断路器
关于北互
集团简介
综合实力
发展历程
荣誉资质
企业文化
党建工作
社会责任
发展战略
资讯中心
北互报
公司新闻
产品中心
产品分类
工程应用
人才中心
人才战略
人才招聘
联系我们
在线留言
联系方式
扫一扫进入手机版
大连北方互感器集团
邮箱:
电话:
版权所有:大连北方互感器集团 备案号:
辽ICP备05006262号-1